Дробилка ДО-1М

Дробилка ДО-1М

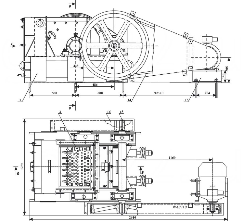
Дробилка ДО-1М предназначена для подготовки номинальной фракции топлива для паровых и водогрейных котельных.Дробилка угля ДО-1М предназначены для дробления кусков каменного и бурого угля, размером не более 250 мм до фракции 0-40 мм. Максимальная производительность дробилки ДО-1М – 30 т/ч.

Дробилка ДО-1М предназначена для подготовки номинальной фракции топлива для паровых и водогрейных котельных.Дробилка угля ДО-1М предназначены для дробления кусков каменного и бурого угля, размером не более 250 мм до фракции 0-40 мм. Максимальная производительность дробилки ДО-1М – 30 т/ч.

Удалить товар

Вы точно хотите удалить выбранный товар? Отменить данное действие будет невозможно.

Удалить товар

Вы точно хотите удалить выбранный товар? Отменить данное действие будет невозможно.